Pages

Search in This Blog

Thursday, 6 December 2012

CS RTOS port to ATmega32

A port of Glen Worstell's csRTOS to the ATmega32.

csRTOS is a priority-based co-operative scheduler that handles up to 8 tasks. This can be expanded to 16 tasks with little effort.

All user tasks, including ones run as the result of an ISR are assigned a fixed priority at compile time.

Semaphores are provided for protecting shared data.

Glen's code has several useful examples in setting up different types of tasks. This 2004 AVR design project is very well documented, which should enable you to easily modify the code for your application. 

Corrected functions below thanks to curtvm.

csRTOS_ATmega32v4.zip has corrected saveTask(), restoreTask() and ADC example.

Download Code here

Wednesday, 15 August 2012

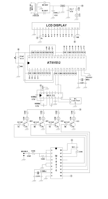
DTMF and GSM based location detector

Abstract:
             This is common problem to everyone to know the way or address of a particular area when you have been for a new place. To know the address we will go for a stranger or any receptionist(if available).

              so to avoid this problem why can't we have a interacting system which shows the path of our desired location. It's just like the technology of IVRS system in our telecom support.




Real Time Clock based Industrial Automation (Energy Saver) using Dallas RTC and I2C protocol


Abstract:
            Advertising hoardings, commercial sign boards, and street lights are generally switched on at 6:30 pm and switched off at 10:00 am because nobody is available at the place in the morning to switch it off. But actual required time is 6:30pm to 11:30pm and 4:30am to 6:30am. Meantime i.e., from 11:30pm to 4:30am is not required, because the public flow on the roads is almost nil in this time. And from 6:30am to 10:00am is also not required as the sun light is available during this time. That means every day around nine hours of power is wasted. This project gives the best solution for electrical energy wastage. Also the manual operation of the lighting system is completely eliminated.
            The Project AT89S8252 Microcontroller Based Energy saver for Commercial Lighting system with RTC DS1307 Interfacing is an interesting project which uses AT89S8252 microcontroller as its brain. This project is very useful for commercial sign boards, advertising boards, street lights for automation lighting system. This system switches on the lights only at preprogrammed timings. As the DS1307 Real Time Clock chip with battery back-up is used, there will be no disturbances for the programmed on/off timings even in power failures.
3X4 keypad is provided for entering the required timings. This keypad made this project user friendly. 4-digit seven segment display is provided to display the alarm times and current time. DS1307 is interfaced to the microcontroller for real timing performance. A 3V battery can be connected to DS1307 to avoid time disturbances caused by power failures.
AT89S8252 has inbuilt flash EPROM. Data stored remains in the memory even after power failure, as the memory ensures reading of the latest saved settings by the micro controller. It can retain data for more than ten years.
This project uses regulated 5V, 500mA power supply. Unregulated 12V DC is used for relay. 7805 three terminal voltage regulator is used for voltage regulation. Bridge type full wave rectifier is used to rectify the ac out put of secondary of 230/12V step down transformer.

click here for schematic figure

Friday, 13 July 2012

Architecture of AVR


The AVR microcontrollers are based on the advanced RISC architecture and consist of 32 x 8-bit general purpose working registers. Within one single clock cycle, AVR can take inputs from two general purpose registers and put them to ALU for carrying out the requested operation, and transfer back the result to an arbitrary register. The ALU can perform arithmetic as well as logical operations
over the inputs from the register or between the register and a constant. Single register operations like taking a complement can also be executed in ALU. We can see that AVR does not have any register like accumulator as in 8051 family of microcontrollers; the operations can be performed between any of the registers and can be stored in either of them.

AVR follows Harvard Architecture format in which the processor is equipped with separate memories and buses for Program and the Data information. Here while an instruction is being executed, the next instruction is pre-fetched from the program memory.

Since AVR can perform single cycle execution, it means that AVR can execute 1 million instructions per second if cycle frequency is 1MHz. The higher is the operating frequency of the controller, the higher will be its processing speed. We need to optimize the power consumption with processing speed and hence need to select the operating frequency accordingly.

There are two flavors for Atmega16 microcontroller:
1.      Atmega16:- Operating frequency range is 0 – 16 MHz. 
2.      Atmega16L:- Operating frequency range is 0 – 8 MHz.
If we are using a crystal of 8 MHz = 8 x 106 Hertz = 8 Million cycles, then AVR can execute 8 million instructions.

Naming Convention.!
The AT refers to Atmel the manufacturer, Mega means that the microcontroller belong to MegaAVR category, 16 signifies the memory of the controller, which is 16KB.

Architecture Diagram: Atmega16
Following points explain the building blocks of Atmega16 architecture:
·           I/O Ports: Atmega16 has four (PORTA, PORTB, PORTC and PORTD) 8-bit input-output ports.

·           Internal Calibrated Oscillator: Atmega16 is equipped with an internal oscillator for driving its clock. By default Atmega16 is set to operate at internal calibrated oscillator of 1 MHz. The maximum frequency of internal oscillator is 8Mhz. Alternatively, ATmega16 can be operated using an external crystal oscillator with a maximum frequency of 16MHz. In this case you need to modify the fuse bits. 


ADC Interface: Atmega16 is equipped with an 8 channel ADC (Analog to Digital Converter) with a resolution of 10-bits. ADC reads the analog input for e.g., a sensor input and converts it into digital information which is understandable by the microcontroller.

·           Timers/Counters: Atmega16 consists of two 8-bit and one 16-bit timer/counter. Timers are useful for generating precision actions for e.g., creating time delays between two operations.

·           Watchdog Timer: Watchdog timer is present with internal oscillator. Watchdog timer continuously monitors and resets the controller if the code gets stuck at any execution action for more than a defined time interval.

·           Interrupts: Atmega16 consists of 21 interrupt sources out of which four are external. The remaining are internal interrupts which support the peripherals like USART, ADC, Timers etc.

·           USART: Universal Synchronous and Asynchronous Receiver and Transmitter interface is available for interfacing with external device capable of communicating serially (data transmission bit by bit).
General Purpose Registers: Atmega16 is equipped with 32 general purpose registers which are coupled directly with the Arithmetic Logical Unit (ALU) of CPU.

·           Memory: Atmega16 consist of three different memory sections:

1.         Flash EEPROM: Flash EEPROM or simple flash memory is used to store the program dumped or burnt by the user on to the microcontroller. It can be easily erased electrically as a single unit. Flash memory is non-volatile i.e., it retains the program even if the power is cut-off. Atmega16 is available with 16KB of in system programmable Flash EEPROM.

2.        Byte Addressable EEPROM: This is also a nonvolatile memory used to store data like values of certain variables. Atmega16 has 512 bytes of EEPROM, this memory can be useful for storing the lock code if we are designing an application like electronic door lock.

3.        SRAM: Static Random Access Memory, this is the volatile memory of microcontroller i.e., data is lost as soon as power is turned off. Atmega16 is equipped with 1KB of internal SRAM. A small portion of SRAM is set aside for general purpose registers used by CPU and some for the peripheral subsystems of the microcontroller.

·           ISP: AVR family of controllers have In System Programmable Flash Memory which can be programmed without removing the IC from the circuit, ISP allows to reprogram the controller while it is in the application circuit.

·          SPI: Serial Peripheral Interface, SPI port is used for serial communication between two devices on a common clock source. The data transmission rate of SPI is more than that of USART.

·           TWI: Two Wire Interface (TWI) can be used to set up a network of devices, many devices can be connected over TWI interface forming a network, the devices can simultaneously transmit and receive and have their own unique address.

·           DAC: Atmega16 is also equipped with a Digital to Analog Converter (DAC) interface which can be used for reverse action performed by ADC. DAC can be used when there is a need of converting a digital signal to analog signal.
Various microcontroller of MegaAVR series:
ATmega8 and Atmega32 are other members of MegaAVR series controllers. They are quite similar to ATmega16 in architecture. Low power version MegaAVR controllers are also available in markets. The following table shows the comparison between different members of MegaAVR family:

Part Name
ROM
RAM
EEPROM
I/0 Pins
Timer
Interrupts
Operation   Voltage
Operating frequency
Packaging
ATmega8
8KB
1KB
512B
23
3
19
4.5-5.5 V
0-16 MHz
28
ATmega8L
8KB
1KB
512B
23
3
19
2.7-5.5 V
0-8 MHz
28
ATmega16
16KB
1KB
512B
32
3
21
4.5-5.5 V
0-16 MHz
40
ATmega16L
16KB
1KB
512B
32
3
21
2.7-5.5 V
0-8 MHz
40
ATmega32
32KB
2KB
1KB
32
3
21
4.5-5.5 V
0-16 MHz
40
ATmega32L
32KB
2KB
1KB
32
3
21
2.7-5.5 V
0-8 MHz
40